| Availability: | |
|---|---|
| Quantity: | |
96*48
Aoer
It comes with features of programmable sensing, display, alarm and
signal outputs in digital & analog formats.
——4-digit high-contrast LED display.
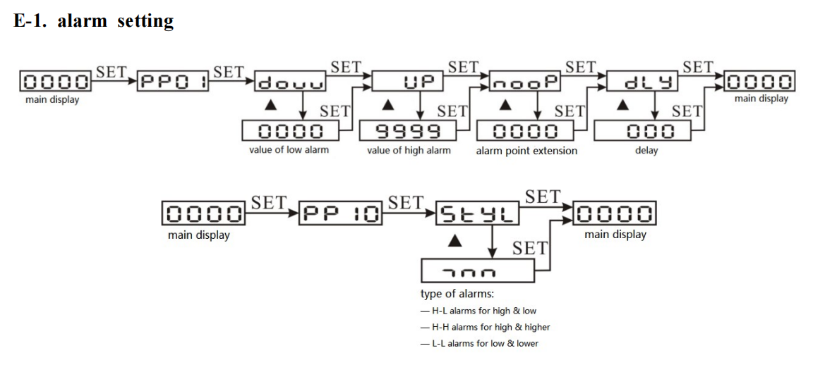
——can configure one or two relays for alarms; high and low, high and higher, or low & lower. (optional)
——input and output signal are fully isolated.
Dimensions (mm) : 96×48
Panel’s hole (mm): 91×44
Depth (mm) : 85
D-1. definition SET:to enter into main menu ◄:to select the digit to be configured ▲:to change the value of the selected digit
D-2. process ——press “SET” for more than 1 second to enter into main menu ——use “▲” to select the parameters ——use “◄” & “▲” to change the value ——use “SET” to store & move to next


